https://niiis-micro.ru/processors#
Вид для печати
Это конечно хорошо, что у нас что-то выпускают, но почему-то смежники, которые разрабатывают блоки, предпочитают иностранные комплектующие даже несмотря на "импортозамещение". Наверное им видней.
Просто стоимость того что у нас выпускают может достигать до 80 тысяч рублей за микросхему.
Это ориентация на космос.
Некоторые производители блоков (для спутников ГЛОНАСС скажем) вынуждены их брать и платить
такие деньги. У них высокая стойкость к СВВФ.
В большинстве случаев для авионики такое применять нецелесообразно и дорого - слишком избыточны.
Поэтому выбор падает на импорт.
Просто стоимость того что у нас выпускают может достигать до 80 тысяч рублей за микросхему.
Это ориентация на космос.
Некоторые производители блоков (для спутников ГЛОНАСС скажем) вынуждены их брать и платить
такие деньги. У них высокая стойкость к СВВФ.
В большинстве случаев для авионики такое применять нецелесообразно и дорого - слишком избыточны.
Поэтому выбор падает на импорт.
Если один блочек стоит от 5млн и выше, думаю 80т.р. процессор (их там как правило от одного до трёх) стоит или меньше, разницы нет.
Они покупают процессоры оптом за копейки, потом "сертифицируют" их, самые нечестные клеют поверх лейблов свои наклейки "made in Skolkovo" и вписывают в ведомость комплектующих по цене воронежских.
Узнавал стоимость некоторых радиационностойких "камней". Она до 250 тысяч рублей доходит за штуку доходит...
Это эконом вариант. По хорошему 1 000 000, если серия небольшая до 100 штук.Цитата:
Она до 250 тысяч рублей доходит за штуку доходит
Где? Дайте адрес, купим несколько тысяч штук -)Цитата:
Просто стоимость того что у нас выпускают может достигать до 80 тысяч рублей за микросхему.
80 000 это копейки. Имитатор кое чего на базе 4С Эльбрус плюс ПК ФормФакттор, плюс 2 ПК обвязки, плюс софт
- от 1 500 000.
Полотно антенно без привода ПФАР 1м на 0,5 м, чисто железяка = от 1 500 000.
Это риторический вопрос. Реально мы сейчас переходим на Эльбрус-8С.
Я в ноябре 2019 три дня стоял на выставке в СПБ и предлагал готовые решения.
Чубайса видел с метра. Он на стенд заходил, вопросы задавал.:smile:
Двухканальный приемник (блок 09) с двойным преобразованием частоты, содержит малошумящие транзисторные усилители (МУ) с защитным устройством, аттенюаторы (АТТ), коммутатор каналов (КОММ) и фазовые детекторы(ФД). В состав приемника также входят формирователь сигнала промежуточной частоты и стабилизаторы электропитающих напряжений.
Вот одна из одноплатных простеньких ЭВМ собранная полностью на отечественных элементах.
Она двухпроцессорная.
Состав такой: воронежский 1874ВЕ36А (микроконтроллер) , зеленоградский 1806ВМ2 (розовый) , связные машины и выходные интерфейсы на
больших зеленоградских БМК 1537ХМ2А (3 штуки) , по центру (маленький) детектор питания и формирования сигнала "сброс" 1446АП1У (тоже
зеленоградский) , память (все того же Ангстрема) ПЗУ-флешь 1638РР1АУ , и ОЗУ на 1637РУ1АУ. По паре на каждом боку.
Снизу магистральные приемопередатчики 5559ИН от минского Интеграла и московской Физики , там же трансформатор ТИЛ.
Схема простая и может быть собрана самому. Главное что пара процессоров - оба 16 разрядных.https://sun9-12.userapi.com/c204616/...kWByn-afKw.jpg
А вы не отвлеклись от заданной темы "21-93 или МиГ-21БИС UPG"?
А СПО-23 что это такое ? Ранняя версия Л-150 или урезанная ее версия ?
Либо что-то свое ? (как я понял ЦКБА)
Вложение 99109
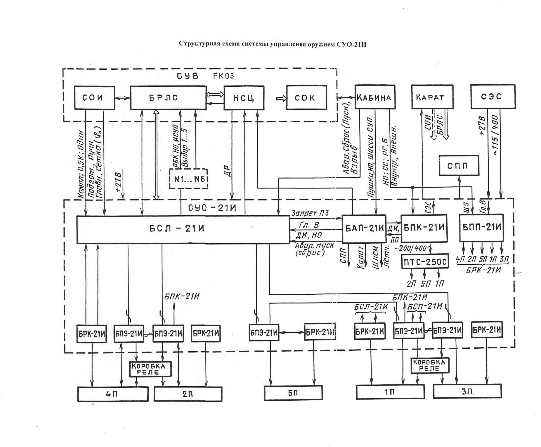
Структурная схема системы управления оружием СУО-21И.